Известно, что яркость светодиода очень сильно зависит от протекающего через него тока. В то же время ток светодиода очень круто зависит от питающего напряжения. Отсюда возникают заметные пульсации яркости даже при незначительной нестабильности питания.
Но пульсации - это не страшно, гораздо хуже то, что малейшее повышение питающего напряжения может привести к настолько сильному увеличению тока через светодиоды, что они просто выгорят.
Чтобы этого не допустить, светодиоды (особенно мощные) обычно запитывают через специальные схемы - драйверы, которые по сути своей являются стабилизаторами тока. В этой статье будут рассмотрены схемы простых стабилизаторов тока для светодиодов (на транзисторах или распространенных микросхемах).
Стабилизаторы тока на транзисторах
Для стабилизации тока через светодиоды можно применить хорошо известные решения:
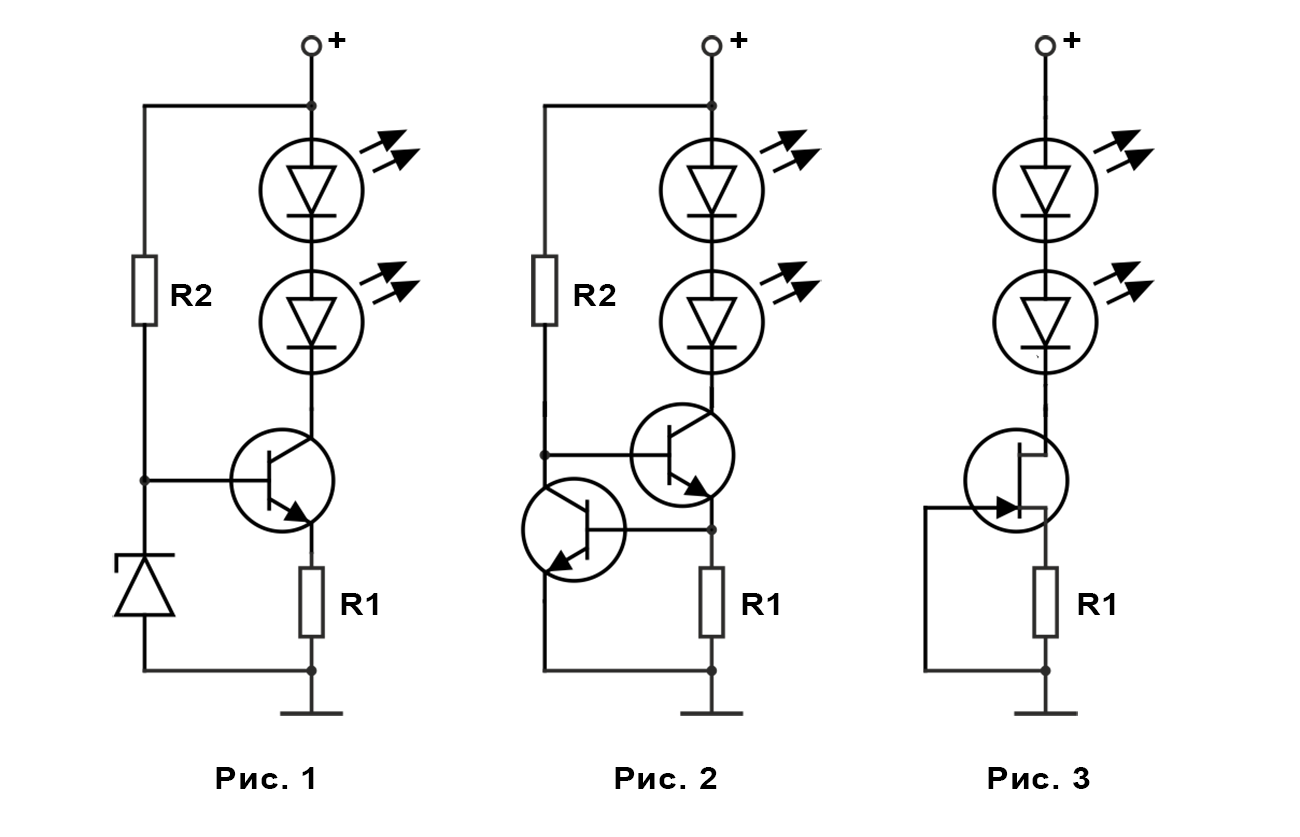
На рисунке 1 представлена схема, работа которой основана на т.н. эмиттерном повторителе. Транзистор, включенный таким образом, стремится поддерживать напряжение на эмиттере в точности таким же, как и на базе (разница будет только в падении напряжения на переходе база-эмиттер). Таким образом, зафиксировав напряжение базы с помощью стабилитрона, мы получаем фиксированное напряжение на R1.
Далее, используя закон Ома, получаем ток эмиттера: Iэ = Uэ/R1. Ток эмиттера практически совпадает с током коллектора, а значит и с током через светодиоды.
Обычные диоды имеют очень слабую зависимость прямого напряжения от тока, поэтому возможно их применение вместо труднодоступных низковольтных стабилитронов. Вот два варианта схем для транзисторов разной проводимости, в которых стабилитроны заменены двумя обычными диодами VD1, VD2:
Ток через светодиоды задается подбором резистора R2. Резистор R1 выбирают таким образом, чтобы выйти на линейный участок ВАХ диодов (с учетом тока базы транзистора). Напряжение питания всей схемы должно быть не меньше, чем суммарное напряжение всех светодиодов плюс около 2-2.5 вольт сверху для устойчивой работы транзистора.
Например, если нужно получить ток 30 мА через 3 последовательно включенных светодиодов с прямым напряжением 3.1 В, то схему следует запитать напряжением не ниже 12 Вольт. При этом сопротивление резистора должно быть около 20 Ом, мощность рассеивания - 18 мВт. Транзистор следует подобрать с максимальным напряжением Uкэ не ниже напряжения питания, например, распространенный S9014 (n-p-n).
Сопротивление R1 будет зависеть от коэфф. усиления транзистора hfe и ВАХ диодов. Для S9014 и диодов 1N4148 достаточно будет 10 кОм.
Применим описанный стабилизатор для совершенствования одного из светодиодных светильников, описанного в этой статье. Улучшенная схема будет выглядеть так:
Данная доработка позволяет значительно снизить пульсации тока и, следовательно, яркости светодиодов. Но главный плюс схемы заключается в нормализации режима работы светодиодов и защита их от бросков напряжения во время включения. Это приводит к существенному продлению срока службы светодиодной лампы.
Из осциллограмм видно, что добавив в схему стабилизатор тока для светодиода на транзисторе и стабилитроне, мы тут же уменьшили амплитуду пульсаций в несколько раз:
При указанных на схеме номиналах, на транзисторе рассеивается мощность чуть больше 0.5 Вт, что позволяет обойтись без радиатора. Если емкость балластного конденсатора увеличить до 1.2 мкФ, то на транзисторе будет падать ~23 Вольт, а мощность составит около 1 Вт. В этом случае без радиатора не обойтись, но зато пульсации понизятся чуть ли не до нуля.
Вместо указанного на схеме транзистора 2CS4544, можно взять 2SC2482 или аналогичный с током коллектора больше 100 мА и допустимым напряжением Uкэ не менее 300 В (подойдут, например, старые советские КТ940, КТ969).
Желаемый ток, как обычно, задается резистором R*. Стабилитрон рассчитан на напряжение 5.1 В и мощность 0.5 Вт. В качестве светодиодов применены распространенные smd-светодиоды из китайской лампочки (а еще лучше взять готовую лампу и добавить в нее недостающие компоненты).
Теперь рассмотрим схему, представленную на рисунке 2. Вот она отдельно:
Токовым датчиком здесь является резистор, сопротивление которого рассчитывается по формуле 0.6/Iнагр. При увеличении тока через светодиоды, транзистор VT2 начинает открываться сильнее, что приводит к более сильному запиранию транзистора VT1. Ток уменьшается. Таким образом происходит стабилизация выходного тока.
Достоинства схемы - ее простота. К недостатку можно записать довольно большое падение напряжения (а следовательно и мощности) на транзисторе VT1. Это не критично при небольших токах (десятки и сотни миллиампер), однако дальнейшее увеличение тока через светодиоды потребует установки этого транзистора на радиатор.
Также, вместо биполярного транзистора, можно применить p-канальный MOSFET. Схема, приведенная ниже, представляет собой мощный светильник на двух 10-ваттных светодиодах и 40-ваттном IRF9510 в корпусе ТО-220 (см. характеристики):
Ток через светодиоды задается подбором резистора R1. VT1 - любой маломощный. Светодиоды - Cree XM-L T6 10W (см. спецификацию) или аналогичные.
Транзистор VT2 и светодиоды необходимо разместить на общем радиаторе, площадью не менее 900 см2 (это если без принудительного охлаждения). Использование термопасты обязательно. Ребра радиатора должен быть толстым и массивным, чтобы максимально быстро отводить тепло. Оцинкованные профили для гипсокартона, консервные банки из-под селедки и крышки от кастрюль категорически не подходят!!!
Если такая мощность не нужна, можно сократить количество светодиодов до одного. Но при этом придется понизить напряжение питания на 3-3.5 вольта. Иначе потребляемая мощность останется прежней, транзистор будет греться в два раза сильнее, а светить будет в два раза хуже.
Для снижения мощности правильнее было бы оставить оба светодиода, но уменьшить ток, например, до 2А - тогда мощность упадет с 20 до 12 Вт, а срок жизни светодиодов многократно возрастет. И площадь радиатора можно будет уменьшить до 600 см2.
Вместо IRF9510 можно взять, например, IRF9Z34N (19А, 55В) или NDP6020P (24А, 20В). Смотрите сами, какие есть в вашем распоряжении. Если совсем ничего нет, самое время закупиться по дешевке:
| наименование | характеристики | цена |
|---|---|---|
| IRF9510 | P-channel, 100V, 4A | 209 руб. / 10 шт. |
| IRF9Z34N | P-channel, 55V, 19A | 124 руб. / 10 шт. |
| NDP6020P | P-channel, 20V, 24A | 120 руб. / 10 шт. |
| Cree XM-L T6 | 10W, 3A | 135 руб. / шт. |
Ну а самая простейшая схема стабилизатора тока для светодиодов на полевом транзисторе состоит всего лишь из одного транзистора с закороченным накоротко затвором и истоком:
Вместо КП303Е подойдет, например, BF245C или аналогичный со встроенным каналом. Принцип действия схож со схемой на рисунке 1, только в качестве эталонного напряжения используется потенциал "земли". Величина выходного тока определяется исключительно начальным током стока (берется из даташита) и практически не зависит от напряжения сток-исток Uси. Это хорошо видно из графика выходной характеристики:
На схеме на рисунке 3 в цепь истока добавлен резистор R1, задающий некоторое обратное смещение затвора и позволяющий таким образом изменить ток стока (а значит и ток нагрузки).
Пример самого простого драйвера тока для светодиода представлен ниже:
Здесь применен полевой транзистор с изолированным затвором и встроенным каналом n-типа BSS229. Точное значение выходного тока будет зависеть от характеристик конкретного экземпляра и сопротивления R1.
Это, в общем-то, все способы превратить транзистор в стабилизатор тока. Есть еще так называемое токовое зеркало, но применительно к светодиодным светильникам оно не подходит. Поэтому перейдем к микросхемам.
Стабилизаторы тока на микросхемах
Микросхемы позволяют добиться гораздо более высоких характеристик, чем транзисторы. Чаще всего для сборки стабилизатор тока для светодиодов своими руками используют прецизионные термостабильные источники опорного напряжения (TL431, LM317 и другие).
TL431
Типовая схема стабилизатора тока для светодиодов на TL431 выглядит так:
Так как микросхема ведет себя так, чтобы поддерживать на резисторе R2 фиксированное напряжение 2.5 В, то ток через этот резистор всегда будет равен 2.5/R2. А если пренебречь током базы, то можно считать, что IRн = IR2. И чем выше будет коэффициент усиления транзистора hfe, тем больше эти токи будут совпадать.
R1 рассчитывается таким образом, чтобы обеспечить минимальный рабочий ток микросхемы - 1 мА.
А вот пример практического применения TL431 в светодиодной лампе:
На транзисторе падает около 20-30 В, рассеиваемая мощность составляет менее 1.5 Вт. Кроме указанного на схеме 2SC4544 можно применить более мощный BD711 или старый советский КТ940А. Транзисторы в корпусе TO-220 не требуют установки на радиатор до мощностей 1.5-2 Вт включительно.
Резистор R3 служит для ограничения импульса зарядки конденсатора при включении питания. Ток через нагрузку задается резистором R2.
В качестве нагрузки Rн здесь выступают 90 белых чип-светодиодов 2835. Максимальная мощность при токе 60 мА составляет 0.2 Вт (24Lm), падение напряжения - 3.2 В. Также можно применить любые другие подходящие светодиоды, например, SMD5050.
Для увеличение срока службы мощность диодов специально занижена на 20% (0.16 Вт, ток 45 мА), соответственно, суммарная мощность всех светодиодов составляет - 14 Вт.
Хотя я бы рекомендовал найти светодиоды в точно таком же форм-факторе (2.8х3.5мм), но мощностью 0.5 Вт. Они и греться будут меньше и прослужат дольше.
Найти такие светодиоды, а также все необходимое для сборки схемы можно по этим ссылкам:
| наименование | характеристики | цена |
|---|---|---|
| SMD 2835 | LED, 3.3V, 0.15A, 0.5W | 67 руб. / 100 шт. |
| 2SC4544 | NPN, 300V, 0.1A | 10 руб. / шт. |
| BD711 | NPN, 100V, 12A | 120 руб. / 10 шт. |
| 1N4007 | 1000V, 1A | 51 руб. / 100 шт. |
| TL431A | 36V, 100mA | 87 руб. / 100 шт. |
Разумеется, приведенную схему стабилизатора тока для светодиодов на 220 В можно пересчитать под любой необходимый ток и/или другое количество имеющихся в распоряжении светодиодов.
С учетом допустимого разброса напряжения 220 Вольт (см. ГОСТ 29322-2014), выпрямленное напряжение на конденсаторе C1 будет находиться в диапазоне от 293 до 358 В, поэтому он должен быть рассчитан на напряжение не менее 400 В.
Исходя из диапазона питающих напряжений, рассчитываются параметры остальных элементов схемы.
Например, резистор, задающий рабочий режим микросхемы DA1 должен обеспечивать ток не менее 0.5 мА при напряжении на С1 = 293 В. Максимальное количество светодиодов не должно превышать NLED < (358 - 6) / 3.2, причем, чем их больше, тем выше яркость светильника и тем меньшая мощность будет уходить в никуда (рассеиваться в виде тепла на транзисторе VT1). Максимальное напряжение Uкэ транзистора VT1 должно быть не ниже 358 - (ULED * NLED).
LM7805, LM7812...
Любой интегральный стабилизатор напряжения можно превратить в стабилизатор тока, добавив всего один резистор в соответствии со схемой:
Только надо учитывать, что, при таком включении, входное напряжение должно быть больше, чем напряжение стабилизации микросхемы на некоторую величину (падение напряжение на самом стабилизаторе). Обычно это где-то 2-2.5 вольта. Ну и, само собой, добавить напряжение на нагрузке.
Вот, например, конкретный пример стабилизатора тока для светодиодов на ЛМ7812:
Потребляемый ток (как и ток через светодиоды) - 300 мА. Мощность светильника ~10 Ватт.
Все параметры схемы рассчитаны на 10 светодиодов SMD 5730-1 с прямым напряжением 3.3 вольта на каждом и максимальным током - 350 мА (см. даташит), покупал тут.
Есть еще очень похожие светодиоды - SMD 5730 (без единички в названии). У них мощность всего 0.5 Вт и максимальный ток 0.18 А. Так что не перепутайте.
Так как при последовательном подключении светодиодов общее напряжение будет равно сумме напряжений на каждом из светодиодов, то минимальное напряжение питания схемы должно быть: Uпит = 2.5 + 12 + (3.3 х 10) = 47.5 Вольт.
Рассчитать сопротивление и мощность резистора под другие значения тока можно с помощью простенькой программки Regulator Design (скачать).
Очевидно, что чем выше выходное напряжение стабилизатора, тем больше тепла будет выделяться на токозадающем резисторе и, следовательно, тем хуже КПД. Поэтому для наших целей лучше подойдет LM7805, чем LM7812.
Но я бы порекомендовал использовать для сборки своими руками драйвер для светодиода на lm317 (см. далее).
LM317
Не менее эффективным получается линейный стабилизатор тока для светодиодов на LM317. Типовая схема включения:
Простейшая схема включения LM317 для светодиодов, позволяющая собрать мощный светильник, состоит из выпрямителя с емкостным фильтром, стабилизатора тока и 93 светодиодов SMD 5630. Здесь применены MXL8-PW35-0000 (3500K, 31 Lm, 100 mA, 3.1 V, 400 mW, 5.3x3 mm).
Если такая большая гирлянда из светодиодов не нужна, то к драйверу на LM317 для питания светодиодов придется добавить балластный резистор или конденсатор (чтобы загасить лишнее напряжение). Как это сделать мы очень подробно рассматривали в этой статье.
Недостаток такой схемы токового драйвера для светодиодов в том, что при повышении напряжения в сети выше 235 вольт, LM317 окажется за пределами расчетного режима работы, а при снижении до ~208 вольт и ниже, микросхема совсем перестает стабилизировать и глубина пульсаций будет целиком и полностью зависеть от емкости С1.
Поэтому использовать такой светильник нужно там, где напряжение более менее стабильно. И на емкости этого конденсатора не стоит экономить. Диодный мост можно взять готовый (например, миниатюрный MB6S) или собрать из подходящих диодов (Uобр не менее 400 В, прямой ток >= 100 мА). Отлично подойдут упомянутые выше 1N4007.
Как видите, схемка простейшая и не содержит каких-либо доростоящих компонентов. Вот текущие цены (и они, скорее всего, будут и дальше снижаться):
| название | характеристики | стоимость |
|---|---|---|
| SMD 5630 | LED, 3.3V, 0.15A, 0.5W | 240руб. / 1000шт. |
| LM317 | 1.25-37V, >1.5A | 212руб. / 10шт. |
| MB6S | 600V, 0.5A | 67руб. / 20шт. |
| 120μF, 400V | 18х30mm | 895руб. / 10шт. |
Таким образом, потратив в общей сложности 1000 руб., можно собрать десяток 30-ваттных (!!!) не мерцающих (!!!) лампочек. А так как светодиоды работают не на полную мощность, а единственный электролит не перегревается, то эти лампы будут практически вечными.
Вместо заключения
К недостаткам приведенных в статье схем следует отнести низкий КПД за счет бесполезной траты мощности на регулирующих элементах. Впрочем, это свойственно всем линейным стабилизаторам тока.
Низкий коэффициент полезного действия неприемлем для устройств, питающихся от автономных источников тока (светильники, фонарики и т.п.). Существенного повышения КПД (90% и более) можно добиться применением импульсных стабилизаторов тока.
bongrif.ru
















"...К недостатку можно записать довольно большое падение напряжения (а следовательно и мощности) на транзисторе VT1. ...От этого недостатка можно избавиться, применив вместо биполярного транзистора p-канальный MOSFET с низким сопротивлением сток-исток..."
Какая разница, какое у него сопротивление, да хоть бы нулевое, всё равно всё (почти) лишнее напряжение будет падать на транзисторе - ведь он не полностью открыт, а занят стабилизацией тока. И рассеивает соответственно.
Действительно, ерунда какая-то написана :(
Цитирую: "К недостатку можно записать довольно большое падение напряжения (а следовательно и мощности) на транзисторе VT1. Это не критично при небольших токах (десятки и сотни миллиампер), однако дальнейшее увеличение тока через светодиоды потребует установки этого транзистора на радиатор.
Также, вместо биполярного транзистора, можно применить p-канальный MOSFET." Конец цитаты.
Сергей, Вы не внимательно прочитали текст. Про полевик , который можно применить, в другом абзаце и естественно, его тоже нужно ставить на радиатор.
"-- резистор, задающий рабочий режим микросхемы DA1 должен обеспечивать ток не менее 0.5 мА при напряжении на С1 = 293 В"
У TL431 минимальный ток стабилизации 1 мА, а не 0.5 мА.
А в некоторых старых даташитах было написано 0.5, отсюда путаница
Очень неудачно приведены MOSFETы: IRL3705N n-канальный (а должен быть и нарисован p-канальный), а IRF7210 и IRLML6402 в маломощных корпусах 1-2 Вт, т.е. ни о каких амперах в нагрузку (в линейном режиме) не может быть и речи. Хотя схема вполне рабочая и принцип описан верно.
Внес исправления в схему, большое спасибо!
Только на вашем сайте вижу схему, где LM317 работает от сети через диодный мост без трансформатора, а входное напряжение формируется с учётом падения напряжения на светодиодах. Везде схемы с трансформаторами, которые снижают до 35-40В (чтобы не превышать паспортное входное напряжение ЛМки). Кому верить?
Даташитам. Падение на диодах учтите, они последовательно с ЛМкой соединены. На каждом 3,2в падает.
А если вместо 2sc4544 в "Схема светодиодной лампы на 14 Вт" поставить полевик чтобы запитать 100 шт 2-3 Вт светодиодов? Какой полевик мне лучше взять если это возможно, спасибо
Любой высоковольтный для космической промышленности подойдет. Считаем: 3вт диод = 3,2в*0,7А=2,24Вт, 100шт: 2,24вт*100=224вт*75%=168 вт тепла от диодов, Напряжение схемы=3,2*100=320в, переменное =320в/1,41=226в, при меньшем будет мигать и менять яркость. Полевик высоковольтный имеет сопротивление перехода от 4,5ом. 4,5ом*0,7а=3,15 вт на нагрев полевика в полностью открытом состоянии. При 240в в сети получаем 240*1,41=338,4в, 338,4-320=18,4в - падение на полевике, 18,4*0,7а=12,88вт и плюс 1,75 вт на резисторе. Итого Мощность=100*2,24*75%=168+12,88+1,75=182,63вт радиатор из расчета 30см2 на ватт - 5478,9см2 - это 13 радиаторов от компьютерного процессора или алюминиевый лист 0,8мх0,8м. Думайте сами. Полевик можно поставить IRF460 (на радиатор разумеется). Ну и тепло, конечно, от конструкции будет.
спасибо за такой ёмкий ответ, какую тогда посоветуете схему драйвера чтоб запитать от 100 3 ватных светодиодов током 600 ма, нашел схему у автора http://bongrif.ru/chertezhi/micro-sxema-driver-svetodiodov.html#al9910, что можете сказать о ней? пойдет для моего варианта?
У диодов SMD 5730 по даташиту максимальный прямой ток 180 ма, а вы не стесняясь через них пропускаете 300 ма. Как долго проработали они в светильнике?
Благодарю за наблюдательность! В схеме должны стоять 1-ваттные светодиоды 5730-1 (350 мА). Исправлено.
Просьба к Админу. Добавить в эту статью описание линейного низковольтного драйвера AMC7135. Низковольтных схем не хватает для полной картины.
Спасибо, запланировал ее на будущее. Все низковольтные, скорее всего, пойдут в отдельную статью.
Недаром говорят, кто ясно мыслит, тот ясно излагает. Автору огромный респект!
Какая интересная мысль! Спасибо)
Очень хотелось бы увидеть схемы драйверов с выходным напряжением 90-180В. Есть светильники (потолочные типа армстронг и линейки из леруа ) в которых перегорели драйверы.
А заменить нечем.
Я замучился искать. Порядком надоели описания последовательного подключения светодиодов. Меня интересует именно параллельное подключение. Если использовать стабилизатор тока, можно ли обойтись без резисторов. Если ток занизить процентов на 10?.
Долго искал что-то подобное - стабилизатор тока на биполярных транзисторах p-n-p транзисторах для последовательно соединеных светодиодов в светодиодном индикаторе уровня. Ток большой был не нужен, до 20мА, вместо полевого транзистора VT2 IRF9510 установил биполярный pnp КТ814Г, R2-15К, R1 исходя из нужного тока через цепь R1=0.65/I=0,65/0,012=55,166Ом, взял на 56Ом. вместо КТ814Г можно что - попроще и поменьше например А1015, 2N2907, 2N5401. VT1 S9015. 2N3906. A733.
Все заработало, именно так, как нужно. В цепи 12 светодиодов, при любом количестве светодиодов, даже одном, ток в цепи один и тот-же и яркость светодиодов постоянна. Запитывается от 31V стабилизированым напряжением. В виду того, что ток в цепи невелик, рассеиваемым теплом на элементах управления можно пренебречь. Может этот коментарий кому поможет- простое решение без дорогих микпосхем для небольших токов через светодиоды.
Схема стабилизатора, та что рассчитана на 3 ампера в таком именно виде, точнее с номиналом резитора R2 на 10 ком не работает (не стабилизирует), сопротивление должно быть 100 ком, в таком случае она начинает работать
Минимальное входное напряжение не 1,25 а 1,25+ примерно 2 вольта ( падение напряжения на самой микросхеме LM317 ) . Т.Е. примерно 3,25 вольта (зависит от тока через микросхему).